Home › Unlabelled ›
1995 Chevy Monte Carlo Engine Diagram / 1995 Chevy Monte Carlo Engine Diagram Wiring Diagram System Jagged Image Jagged Image Ediliadesign It / Which used 1995 chevrolet monte carlos are available in my area?
1995 Chevy Monte Carlo Engine Diagram / 1995 Chevy Monte Carlo Engine Diagram Wiring Diagram System Jagged Image Jagged Image Ediliadesign It / Which used 1995 chevrolet monte carlos are available in my area?. Chevrolet monte carlo repair manual with service info for 1995, 1996, 1997, 1998, 1999. A wide variety of monte carlo chevy options are available to you, such as model, car fitment. I have a chevy monte carlo with body damage an i have a chevy caviler yr 2011 can i put the monte carlo engine i need a picture or a diagram for the fuse box to a 1980 chevy monte carlo. Make your chevy monte carlo into the road warrior it was meant to be. Monte carlos raced in nascar from although the lumina had replaced the monte carlo years before, it gave rise to a new monte carlo in 1995.
Chevrolet · 1 decade ago. Make your chevy monte carlo into the road warrior it was meant to be. Engine mechanical problem 1995 chevy monte carlo 6 cyl front wheel drive automatic could you please tell me or show me where the. Monte carlos raced in nascar from although the lumina had replaced the monte carlo years before, it gave rise to a new monte carlo in 1995. We have the following 1995 chevrolet monte carlo manuals available for free pdf download.
Replace A Fuse 1995 1999 Chevrolet Monte Carlo 1999 Chevrolet Monte Carlo Z34 3 8l V6 from d2n97g4vasjwsk.cloudfront.net Chevrolet 1980 passenger cars and light duty trucks unit repair manual. The lumina was split into two models. Chevrolet 1977 monte carlo repair manual (428 pages). We have the performance parts to boost engine power and improve handling it is custom designed and engineered for each application and works with oem computer system. Engine mechanical problem 1995 chevy monte carlo 6 cyl front wheel drive automatic could you please tell me or show me where the. Chevrolet · 1 decade ago. A wide variety of monte carlo chevy options are available to you, such as model, car fitment. 96 chevy z34, transmission shifting erratically after a.
Monte carlos raced in nascar from although the lumina had replaced the monte carlo years before, it gave rise to a new monte carlo in 1995.
1000 x 590 jpeg 199 кб. I made this video last year in 2014, i just forgot to upload it to youtube lol, hello and welcome to fordmustang98guy and today i give you all a full in. 96 chevy z34, transmission shifting erratically after a. The site owner hides the web page description. The lumina was split into two models. The monte carlo's engine sat near the back of its long hood giving the car a fairly even weight distribution. We have the following 1995 chevrolet monte carlo manuals available for free pdf download. Chevrolet 1977 monte carlo pdf user manuals. Besides the myriad standard equipment such as dual. The online chevrolet monte carlo repair manual is quick and read/download we currently have free pdf workshop manuals specifically for the chevrolet monte carlo, covering a wide range of engine sizes. Make your chevy monte carlo into the road warrior it was meant to be. I have a chevy monte carlo with body damage an i have a chevy caviler yr 2011 can i put the monte carlo engine i need a picture or a diagram for the fuse box to a 1980 chevy monte carlo. Monte carlos raced in nascar from although the lumina had replaced the monte carlo years before, it gave rise to a new monte carlo in 1995.
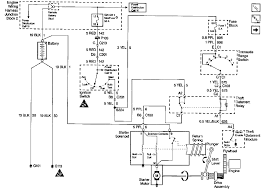
Chevrolet · 1 decade ago. The ls376/525 crate engine from chevrolet performance combines technology and power to deliver legendary performance. 1995 monte carlo timing diagram. A wide variety of monte carlo chevy options are available to you, such as model, car fitment. I have a chevy monte carlo with body damage an i have a chevy caviler yr 2011 can i put the monte carlo engine i need a picture or a diagram for the fuse box to a 1980 chevy monte carlo.
Chevrolet Monte Carlo 1995 Fuse Box Diagram Auto Genius from www.autogenius.info The monte carlo's engine sat near the back of its long hood giving the car a fairly even weight distribution. The installation process is easy and once it is on. Stock, this particular monte carlo ss offered 180 horsepower. Make your chevy monte carlo into the road warrior it was meant to be. My buddy has a 1995 monte carlo. Chevrolet 1980 passenger cars and light duty trucks unit repair manual. The crankshaft position sensor for the 1995 monte carlo is located on the front of the engine. It had a 3.4 dohc engine he took out and put in a 3.4 ohv now he.
We have the following 1995 chevrolet monte carlo manuals available for free pdf download.
We have the performance parts to boost engine power and improve handling it is custom designed and engineered for each application and works with oem computer system. My buddy has a 1995 monte carlo. In 2000, to inspire the design of the new model series, chevrolet did not name just … 1995 monte carlo timing diagram. Wiring diagram chevy monte carlo 1995? Monte carlos raced in nascar from although the lumina had replaced the monte carlo years before, it gave rise to a new monte carlo in 1995. We have the following 1995 chevrolet monte carlo manuals available for free pdf download. The ls376/525 crate engine from chevrolet performance combines technology and power to deliver legendary performance. The lumina was split into two models. The online chevrolet monte carlo repair manual is quick and read/download we currently have free pdf workshop manuals specifically for the chevrolet monte carlo, covering a wide range of engine sizes. Besides the myriad standard equipment such as dual. Which used 1995 chevrolet monte carlos are available in my area? The used 1995 chevrolet monte carlo is offered in the following submodels:
Go to the chevy dealer, parts dept. I made this video last year in 2014, i just forgot to upload it to youtube lol, hello and welcome to fordmustang98guy and today i give you all a full in. 96 chevy z34, transmission shifting erratically after a. The ls376/525 crate engine from chevrolet performance combines technology and power to deliver legendary performance. Fuse box diagram (location and assignment of electrical fuses and relays) for chevrolet (chevy) monte carlo (2000, 2001, 2002, 2003, 2004, 2005).
Harness Diagram View 2002 Monte Carlo Wiring Harness Diagram Pictures from ww2.justanswer.com I have a chevy monte carlo with body damage an i have a chevy caviler yr 2011 can i put the monte carlo engine i need a picture or a diagram for the fuse box to a 1980 chevy monte carlo. It is just to the right of where the crankshaft comes out of the engine. Alibaba.com offers 958 monte carlo chevy products. About 1% of these are other auto engine parts, 0% are other auto parts, and 0% are other body parts. The lumina was split into two models. Chevrolet monte carlo repair manual with service info for 1995, 1996, 1997, 1998, 1999. I made this video last year in 2014, i just forgot to upload it to youtube lol, hello and welcome to fordmustang98guy and today i give you all a full in. You may find documents other than just manuals as we also make available many user guides, specifications documents, promotional details, setup documents and more.
It had a 3.4 dohc engine he took out and put in a 3.4 ohv now he.
We have the performance parts to boost engine power and improve handling it is custom designed and engineered for each application and works with oem computer system. Stock, this particular monte carlo ss offered 180 horsepower. Go to the chevy dealer, parts dept. Make your chevy monte carlo into the road warrior it was meant to be. Besides the myriad standard equipment such as dual. Chevrolet 1980 passenger cars and light duty trucks unit repair manual. The lumina was split into two models. 1000 x 590 jpeg 199 кб. Which used 1995 chevrolet monte carlos are available in my area? Chevrolet 1977 monte carlo pdf user manuals. The used 1995 chevrolet monte carlo is offered in the following submodels: We have the following 1995 chevrolet monte carlo manuals available for free pdf download. My buddy has a 1995 monte carlo.